Hier finden Sie häufig gestellte Fragen und deren Antworten zum Bereich Feststellanlagen.
Die Planung und Projektierung einer Feststellanlage ist in den aktuellen DIBt-Bauartgenehmigungen des jeweiligen Herstellers beschrieben.
Die Gültigkeit der DIBt Richtlinie von 1988 ist abhängig vom Ausgabestand der Zulassung. Im Abschnitt 2 (Bestimmungen für die Feststellanlagen) der jeweiligen bauaufsichtlichen Zulassung ist aufgeführt, ob die Zulassung nach den Richtlinien von 1988 angewendet werden muss oder nicht.
Es sind die Zulassungen, Verwendbarkeitsnachweise und Einbauanleitungen der Abschlüsse zu beachten. Diese Unterlagen können Zusatzinformationen enthalten (z.B. Montageort der Ankerplatte am Abschluss), die bei der Planung zu beachten sind.
Zulassungen für autarke Feststellanlagen: hier erfolgt die Überwachung und Auslösung durch eine Steuerung die ausschließlich für den Abschluss zuständig ist.
Zulassungen für Brandmelderzentralen: hier ist die Feststellanlage Teil einer Brandmeldeanlage. Die Melder bzw. Bauteile der Feststellanlage sind besonders zu projektieren.
Für die Montage und Installation einer Feststellanlage sind entsprechende Fachkenntnisse erforderlich. Außerdem sind die einschlägigen Normen und die aktuelle Zulassung zu beachten. Der Netzanschluss muss durch eine Elektrofachkraft erfolgen.
Feststellanlagen dürfen in diesem Fall nur eingesetzt werden, wenn die Federbänder im Zulassungsbescheid der Türe aufgeführt sind.
Mit einem Endschalter oder einem Türhaftmagneten mit Rückmeldung (THM 446/THM 447).
Ja, das Stromversorgungsgerät SVG 522 ist mit einer Akkupufferung ausgestattet und für die Anwendung an Feststellanlagen zugelassen.
Fachmann oder Fachfrau (auch Spezialist oder Experte) ist eine Person, die über umfangreiches Wissen auf einem oder mehreren bestimmten Gebieten, oder über spezielle Fähigkeiten verfügt. Auch ein Wissensvorsprung gegenüber der Allgemeinheit kann einen Fachmann definieren.
Eine Bestätigung, dass eine Person über das Fachwissen verfügt, erfolgt in der Regel durch Übergabe eines Zeugnisses, das durch eine staatliche bzw. staatlich anerkannte oder allgemein anerkannte Prüfung bestätigt wird.
Um "Fachkraft für Feststellanlagen" zu werden sind gemäß DIN 14677 gewisse Mindestqualifikationen zu erfüllen.
Es muss eine der folgenden Voraussetzungen erfüllt sein:
Der Einsatz von Feststellanlagen an Außenwänden ist nicht erlaubt. Sämtliche Bauartgenehmigungen beziehen sich ausschließlich für die Verwendung an Innenwänden.
Die Rauchschalter sind nach den Richtlinien des DIBt zu montieren (siehe Entscheidungsdiagramm, Bauartgenehmigung, Planungshandbuch). Die Sturzhöhe und Breite des Feuerschutzabschlusses bestimmen dabei die Anzahl der Rauchschalter.
Ja, jede Feststellvorrichtung muß auch von Hand ausgelöst werden können, ohne dass die Funktionsbereitschaft der Auslösevorrichtung beeinträchtigt wird.
Bei Türschließern mit elektrisch betriebener Feststellung für Drehflügeltüren, nicht jedoch bei sog. Freilauftürschließern darf der Handauslösetaster entfallen, wenn die Feststellung durch Ziehen mit geringer Kraft aufgehoben werden kann. Dies gilt auch für:
Da für die Anordnung des Handauslösetasters (HAT) seitens des DIBt keine konkreten Vorgaben existieren, sollte der HAT in Anlehnung an die allgemein anerkannten Regeln der Technik vergleichbarer Einrichtungen angebracht werden.
Hekatron Brandschutz empfiehlt deshalb, den HAT in Anlehnung an die DIN VDE 0833-2:2017-10 (regelt u.a. die Planung und Projektierung von Brandmeldeanlagen) gut sichtbar und frei zugänglich in einer Höhe von 1,4 m +0,2/-0,4 m anzubringen.
Der Handtaster sollte zudem ausreichend durch Tageslicht oder eine andere Lichtquelle, idealerweise durch eine eventuell vorhandene Not- oder Sicherheitsbeleuchtung beleuchten werden.
Bitte beachten: Durch die Vorgaben der DIN 18040 (Barrierefreies Bauen) können sich in barrierefreien Gebäuden abweichende Montagehöhen ergeben, die im Einzelfall mit dem Architekten oder Brandschutzsachverständigen abzustimmen sind.

Die Befestigungsmittel für Geräte wie Ankerplatten dürfen die Schutzfunktion der Abschlüsse nicht beeinträchtigen. Die Abschlüsse dürfen nicht durchbohrt werden. Angaben zur Befestigung sind den Verwendbarkeitsnachweisen oder Einbauanleitungen für den jeweiligen Abschluss zu entnehmen oder vom Hersteller einzuholen.
Es können handelsüblichen Fernmeldekabel verwendet werden. Der Leitungsquerschnitt muss entsprechend der Stromaufnahme der verwendeten Geräte sowie der Leitungslänge ausgelegt werden. Die Herstellerangaben sind zu beachten!
Im Falle besonderer Deckensituationen (z.B. schräge Decken, Unterdecken, Galerien) sind die Brandmelder jeweils dort anzubringen, wo im Falle eines Brandes zuerst eine größere Rauchkonzentration zu erwarten ist.
Die Feststellanlage setzt sich aus einer Energieversorgung (Netzteil), Brandmelder (Rauchschalter), einer Feststellvorrichtung (Haftmagnet + Ankerplatte oder Schließmittel mit integrierter Feststellung), Auslösevorrichtung und einem Handauslösetaster zusammen.
Werden Geräte ersetzt, die nach der letzten Abnahme der Feststellanlage nicht in der Zulassung enthalten sind, ist eine Neuabnahme nach einer aktuell gültigen Zulassung erforderlich.
Bei Störgrößen wie Staub, Dampf oder betriebsbedingter Rauchentwicklung können bei optischen Brandmeldern vermehrt Täuschungsalarme auftreten. Daher empfehlen wir in diesen Bereichen den Einsatz des Thermoschalters, TDS 247.
Unsere aktuellen Bauartgenehmigungen besagen, dass bei Flucht- und Rettungswegen sowie Rauchschutztüren, ausschließlich optische Rauchschalter (z.B. ORS 142) eingesetzt werden dürfen. In Umgebungen mit einer starken Staubbelastung ist zu prüfen, ob eine Explosionsgefahr besteht.
Die DIBt-Richtlinien für Feststellanlagen schreiben vor, dass die Durchströmung der Messkammer gewährleistet sein muß. Da es sehr unterschiedliche Einbausituationen gibt, ist vor Ort zu bewerten, ob von der Durchströmung der Meßkammer ausgehen kann oder nicht. Hekatron empfiehlt einen Mindestabstand von 1 cm zu darüber liegenden Bauteilen einzuhalten.
Bei aktivierter Leitungsüberwachung werden die Anschlussleitungen der Rauchschalter und des Handtasters auf Kurzschlüsse und Unterbrüche überwacht. Durch den Einsatz der Leitungsüberwachung kann die bisher vom DIBt geforderte „getrennte Leitungsführung“ entfallen.
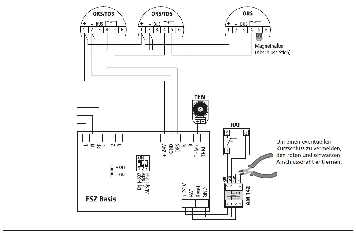
Mit dem ORS 142 und dem Magnethalter im Sockel zur Aktivierung der integrierten Leitungsüberwachung, kann eine Feststellanlage mit entsprechender Auswerteeinheit (FSZ Basis) nach DIN EN 14637 mit einer Leitungsüberwachung betrieben werden. Das Abschlussmodul AM 142 wird für den Handtaster sowie die ältere Version des ORS 142 ohne integrierte Leitungsüberwachung benötigt.
Hinweis:
Die Leitungsüberwachung funktioniert ausschließlich in Verbindung mit der Feststellanlagen-Zentrale FSZ Basis. Mit den bisherigen Netzteilen (NAG 03, NG 519 etc.) ist die Leitungsüberwachung nicht möglich.
Die Planung von Ex-Feststellanlagen basiert auf dem Explosionsschutzdokument. Darin werden die einzelnen Ex-Zonen bestimmt. Nach dieser Einteilung wird die Auswahl der Geräte vorgenommen. Eine ortsfeste Gaswarnanlage ist nicht generell vorgeschrieben, dennoch empfehlen wir die Prüfung einer möglichen Verwendung im Einzelfall.
Für Abschlüsse von Räumen, in denen mit einer explosionsfähigen Atmosphäre durch brennbare Gase, Dämpfe oder Nebel (Zonen 0 bis 2 DIN EN 60079-14) gerechnet werden muss, dürfen diese Feststellanlagen angewendet werden, wenn diese zusätzlich durch eine geprüfte ortsfeste Gaswarneinrichtung für den Explosionsschutz ausgelöst werden. Für Abschlüsse von Räumen, in denen mit einer explosionsfähigen Atmosphäre durch brennbare Stäube (Zonen 20 bis 22 DIN EN 61241-14) gerechnet werden muss, darf diese Feststellanlage nicht verwendet werden.
Alle Komponenten, die im Ex-Bereich eingesetzt werden, müssen den ATEX Anforderungen entsprechenden. Auf dem Typenschild der Geräte muss ein entsprechender Vermerk sein.
Eine Ex-Feststellanlage darf nur durch speziell autorisiertes Personal abgenommen werden. Hekatron bietet hierzu das Seminar R 6.5 Feststellanlagen für explosionsgefährdete Bereiche an. Eine Berechtigung zur Abnahme einer Standard- Feststellanlage ist nicht ausreichend!
Abnahmen für Feststellanlagen in Ex-Bereichen werden auch durch den Hekatron Kundendienst angeboten. Sprechen Sie uns hierzu bitte einfach an unter der Telefonnummer: 07634-500 8050.
Hinweis:
Zur Abnahme von EX-Feststellanlagen ist gesondertes Equipment zur Einstellung/Kalibrierung und Wartung des Gasmesscomputer & Sensors notwendig.
Alle Körper elektrischer Betriebsmittel in dem Ex-Raum sind mit dem Potenzialausgleich zu verbinden. Der Querschnitt ist entsprechend der DIN VDE 60079-14 zu wählen.
Nein, eine Ex-Barriere ist nicht notwendig, da durch das Ex-Interface die Anforderungen bezüglich der elektrischen Trennung zwischen Ex-Bereich und sicherem Bereich erfüllt sind.
Zur Projektierung der Gaswarneinrichtung (Gaswarnanlage) sind die Stoffliste Gas und das Explosionsschutzdokument erforderlich. Die Stoffliste Gas gilt als Grundlage für die Bewertung, die Anzahl der zu überwachenden Stellen, ob und mit welchen Kalibrations-Werten der Gasmessfühler eingesetzt wird.
Bisher hat das DIBt vorgeschrieben, dass bei Feststellanlagen in explosionsgefährdeten Bereichen immer eine Gaswarnanlage als zusätzliche Auslösevorrichtung verwendet werden muss.
Aufgrund neuer Erkenntnisse sind diese Anforderungen nicht mehr in den DIBt Bauart-genehmigungen vorhanden. Zukünftig verweist das DIBt bei Feststellanlagen in Ex-Zonen allerdings auf die Umsetzung der Richtlinie 2014/34/EU.
Aus einem Explosionsschutzdokument muss unter anderem die Anforderung an die Feststellanlage hervorgehen. So kann es beispielsweise sein, dass bei Vorhandensein einer Gaswarnanlage die Feststellanlage immer mit auslösen muss, sobald ein Gasalarm ansteht.

Eine bahngebundene Förderanlage ist ein automatisches, führerloses Transportsystem (z.B. Palettenförderer, Gepäckbänder etc.). Diese erstrecken sich oft über mehrere Gebäudeteile und führen so durch mehrere Brandabschnitte. Durch den Einsatz einer Feststellanlage können die Brandabschnitte überwacht und im Brandfall sicher geschlossen werden.
Bei bahngebunden Förderanlagen muss vor dem Schließen sichergestellt werden, dass sich das Transportsystem, bzw. das Fördergut nicht mehr im Schließbereich der Anlage befindet. Die Abfrage erfolgt über die Steuerung SVG 522/TSK03 und den Lichtschranken.
Lichtschranken kommen dann zum Einsatz, wenn Gegenstände wie Transportsysteme oder auch Personen sich im Schließbereich befinden können. Bei Anlagen mit Personenschutz wird eine Überwachung des Schließbereichs benötigt. Ein unterbrechen des Schließbereichs (Lichtschranke) während der Abschluss schließt, hat zur Folge, dass z.B. Türantriebe wieder aktiviert werden und die Personen den Schließbereich passieren können.
Ja, gemäß DIBt Bauartgenehmigung Z-6.500-2414 muss die Notstromversorgung der Förderanlage gesondert erfolgen. Der Notstrom muss mindestens für den Zeitraum des Freifahrens des Schließbereichs, und des Schließens des Feuerschutzabschlusses zur Verfügung stehen.
Wird nach Eingang eines Rauchalarms keine Freigabe der Lichtschranke bzw. der Förderanlage gegeben, so wird nach Ablauf von 2 Minuten der Abschluss geschlossen. (VDS konform!)
Die Notstrombatterien sind nach 4 Jahren auszutauschen, die Herstellerangaben sind dabei zu beachten!
Ja, an der Türsteuerkarte TSK 03 gibt es die Möglichkeit eine Verzögerungszeit von 10 sec bis 120 sec. einzustellen.
Die Abnahmeprüfung für Feststellanlagen an Feuerschutzabschlüssen darf nur von Fachkräften des Antragstellers der allgemeinen bauaufsichtlichen Bauartgenehmigung oder von ihm autorisierten Fachkräften oder von Fachkräften einer vom DIBt im Zulassungsverfahren benannten Prüfstelle durchgeführt werden.
Hekatron bietet zur Erlangung Abnahmeberechtigung von Feststellanlagen die Abnahmeseminare R 6.1 und R 6.2 an.
Die notwendigen DIBt-Bauartgenehmigungen finden Sie hier:
Herstellererklärungen & Zertifikate - Feststellanlagen
Unser Schulungsangebot zum Erhalt der Abnahmeberechtigung finden Sie hier:
Weiterbildungen - Seminare und Webinare
Nach dem betriebsfertigen Einbau einer Feststellanlage am Anwendungsort sind deren einwandfreie Funktion und vorschriftsgemäße Installation einschließlich ggf. angeordneter Sicherheitseinrichtungen der Schließbereichsüberwachung durch eine Abnahmeprüfung festzustellen. Auf diese Prüfung ist vom Antragsteller der allgemeinen bauaufsichtlichen Bauartgenehmigung hinzuweisen.
Eine Abnahme ist auch dann erforderlich, wenn Geräte getauscht werden, die nach der vorherigen Abnahme der Feststellanlage nicht in der Bauartgenehmigung aufgeführt sind.
Die Autorisierung durch den Hersteller von Auslösevorrichtungen und Feststellvorrichtungen ist personenbezogen und damit nicht übertragbar. Für den Abnahmeberechtigten bedeutet das, dass sie/er seine Abnahmeberechtigung bei einem Firmenwechsel beibehält.
Das Inbetriebnahme- und Wartungsset (IW-Set) stellt Ihnen sämtliche Unterlagen und Kennzeichnungsschilder sowohl für die Abnahmeprüfung als auch für die wiederkehrenden Prüfungen und Wartungen bereit. Dabei richtet sich das IW-Set nach den allgemeinen Anforderungen des DIBt, nach der Bauartgenehmigung des Herstellers und nach der Instandhaltungsnorm DIN 14677. Es ist nach der Abnahmeprüfung vom Betreiber aufzubewahren und für die Protokollierung der wiederkehrenden Überprüfungen und Wartungen dem Kundendiensttechniker zur Verfügung zu stellen.
Die Tauschzyklen für Rauchschalter an Feststellanlagen gibt die DIN 14677 vor. Der ORS 142 muss demnach alle 8 Jahre ausgetauscht werden. Für Thermoschalter (TDS 247) empfiehlt Hekatron einen Austausch nach einer Betriebszeit von 8 Jahren.
Bei einem Austausch, der eventuell eine Neuabnahme notwendig macht, sollte immer auch geprüft werden, ob der Austausch weiterer Komponenten der Feststellanlage notwendig ist.
Dieses entnehmen Sie bitte der aktuell gültigen Bauartgenehmigung von Hekatron. Außerdem entspricht die Leitungsüberwachung dem heutigen Stand der Technik und könnte im Zuge der Umrüstung implementiert werden. Beachten Sie hierzu bitte die Informationen zu Punkt. 3.11.
Die Energieversorgungen (Netzteile) eines älteren Gerätetyps sind für den Rauchschalter ORS 142 nicht geeignet. Daher sind gegebenenfalls die Netzteile zu erneuern. Die Energieversorgungen, FSZ Basis, NG 519, NAG 02, NAG 03 oder NAG 04 sind mit der Bauartgenehmigung abzugleichen. Es muss die Zulassung/Bauartgenehmigung zugrunde gelegt werden, die zum Zeitpunkt der Abnahme angewendet wurde. Andernfalls kann eine Neuabnahme erforderlich sein. (vgl. Frage/Kapitel 3.8)
Rauchschalter (ORS 142) werden mit dem Prüfaerosol Hekatron 918/5 geprüft. Thermoschalter (TDS 247) können z.B. mit einem Fön getestet werden. Es ist darauf zu achten, dass der TDS 247 beim Prüfen nicht überhitzt bzw. beschädigt wird.
Jedes Produkt besitzt ein Etikett oder Typenschild, auf dem Artikelnummer, Fertigungszustand und Fertigungsdatum aufgedruckt sind.
Nein, der Rauchschalter kann nicht gereinigt werden. Der Rauchschalter darf nicht geöffnet werden. Hekatron bietet über den Handel Rauchschalter im Austausch an. Bitte wenden Sie sich an Ihren Händler.
Ja, es kann ein Mischbetrieb mit und ohne Leitungsüberwachung erfolgen. Siehe auch die Anschlusspläne zum Funksystem der jeweiligen Montageanleitung.
Pro Funksystem können ein Funkmodul und bis zu 20 Funkteilnehmer betrieben werden. Dabei ist die Aufteilung der Funkteilnehmer in Funkrauchschalter und Funkhandtaster irrelevant.
Das Funksystem lässt sich mittels einer Taste auf den Funkteilnehmern sehr einfach, von einer Person alleine, in Betrieb nehmen. Der Einsatz von zusätzlichen Hilfsmitteln, wie z.B. einem Laptop, ist nicht nötig.
Die optische Statusanzeige signalisiert je nach Modus und Funkteilnehmer den aktuellen Zustand. Durch die Signalisierung in den Farben Grün, Orange und Rot mit unterschiedlichen Blinkmustern kann der jeweilige Zustand genau bestimmt und somit mögliche Fehlerursachen schnell lokalisiert werden.
Wird das Funkmodul bei Erstinbetriebnahme nicht innerhalb von 10 Minuten ins System eingelernt, wechselt es in den Standby- Modus. Dies verhindert, dass die Funkteilnehmer permanent nach dem Funkmodul suchen und somit ihre Batterien unnötig belasten. In diesem Fall das Funkmodul kurz von seiner Spannungsversorgung trennen (24V), danach ist das FM 155 F wieder bereit zur Inbetriebnahme.
Bitte entnehmen Sie diese und andere technischen Daten der aktuellen Produktinformation, die Sie kostenfrei in unserem Downloadportal erhalten.
Bei der Inbetriebnahme sowie auch nach einer Alarmauslösung muss bei der Feststellanlagenzentrale eine Reset durchgeführt werden. Erst danach wird die Feststellvorrichtung wieder bestromt.
Das Funksystem 155 F muss nach der erfolgreich durchgeführten Inbetriebnahme durch einen Netzwerkabschluss finalisiert werden. Beachten Sie dazu bitte die Hinweise der jeweiligen Montageanleitung im Kapitel "Netzwerk konfigurieren".
Der Nachweis über spezielle Brandprüfungen für die Zargenmontage muss für das Zulassungsverfahren erbracht werden. Das DIBt dokumentiert dies jedoch nicht explizit in der Bauartgenehmigung. Wir als Hersteller müssen in unserer technischen Dokumentation auf die Verwendung der Konsolen hinweisen.
Um den ORS 155 F an Fremdanlagen verwenden zu können, müssen die technischen Voraussetzungen zuvor geprüft werden und eine gültige DIBt Bauartgenehmigung des jeweiligen Herstellers vorhanden sein, in der unser ORS 155 F aufgeführt ist.
Das Funksystem 155 F kann ausschließlich nur an Feststellanlagen eingesetzt werden,wenn das vorhandene Netz- und Auslösegerät zusammen mit dem Funksystem 155 F in einer gemeinsamen DIBt Bauartgenehmigung gelistet ist. Ältere Netzgeräte wie beispielsweise das NG 519 oder NAG 03 sind deshalb nicht zulässig.
Für die Montage des FM 155 F direkt auf der Tür- oder Torzarge muss die Konsole FM 155 F verwendet werden. Die Konsole ist hierfür speziell auf Feuerwiderstandsfestigkeit geprüft. Das FM 155 F wird zwar durch die jeweilige Feststellanlagensteuerung mit Energie versorgt, enthält jedoch zusätzlich eine Pufferbatterie zur Speicherung des Zeitstempels.
Aufgrund der Alterung der Funk- Bauteile kann dies Auswirkungen auf die Stabilität und Robustheit der Funk- Verbindung haben. Daher empfehlen wir den Tausch des Funkmoduls nach 16 Jahren Betriebszeit.
Das Funkmodul ist standardmäßig in weiß und in silber verfügbar. Zusätzlich kann es ähnlich der Farben der RAL Classic Farbpalette auf Wunsch geliefert werden. Dies macht es möglich das Funkmodul an die örtlichen Gegebenheiten farblich anzupassen.
Durch den Austausch des Abdeckrahmens kann der HAT 155 F als Unterputz-Variante in das Design gängiger Schalterprogramme integriert werden. So kann auch in besonders anspruchsvollen Objekten ein Schalterprogramm durchgängig eingesetzt werden. Aktuell ist der HAT 155 F UP mit folgenden Anbietern und Serien kompatibel:
Der HAT 155 F ist standardmäßig in den Varianten Aufputz (AP) und Unterputz (UP) verfügbar. Mittels Zubehör ist es möglich den Handtaster (AP) in Feuchträumen (IP44) einzusetzen oder gegen unbeabsichtigtes Auslösen (nur UP) zu sichern.
Die Konsole wurde speziell auf Feuerwiederstandsfestigkeit geprüft und ist für die Montage des ORS 155 F an der Wand oder direkt auf der Tür- bzw. Torzarge konzipiert und geprüft.
"Der Funkrauchschalter ist standardmäßig in weiß erhältlich. Zusätzlich kann er auf Wunsch ähnlich den Farben der RAL Classic Farbpalette bestellt werden. Dies macht es möglich den ORS 155 F an die örtlichen Gegebenheiten farblich anzupassen."
Nein, eine Klebemontage ist normativ nicht zulässig. Die Sockel sind für die Schraubmontage geprüft und vom DIBt zugelassen.
Eine Verwendung des ORS 155 F in Kombination mit dem Funkempfänger RMU04 ist technisch nicht möglich.
Das BPF 155 VE 01 ist die Ersatzbatterie für den ORS 155 F und den HAT 155 F.
Die Standzeit des Batteriepacks im Funksystem hängt grundsätzlich von folgenden Faktoren ab:
Wichtig ist in diesem Zusammenhang, dass der Batteriepack bis zur Erstinbetriebnahme nur der unvermeidlichen Selbstentladung unterliegt und diese von der Lagerzeit und den Lagerbedingungen (insbesondere Temperatur und Temperaturschwankungen) abhängt.
Da Hekatron keinen Einfluss auf die unter Punkt 3.) und 4.) erwähnten Umstände hat, empfehlen wir die Batteriepacks des Funksystems möglichst innerhalb von 12 Monaten nach Auslieferung durch Hekatron einzubauen, um die gewünschte Standzeit von 8 Jahre zu erreichen.
Für Batteriepacks, die länger gelagert wurden, gilt, dass eventuell die Standzeit in Abhängigkeit von der Lagerdauer, der Temperatur und dem Temperaturprofil während der Lagerung und vor allem dem Nutzungsprofil der Anlage verkürzt sein kann, was zu einem früheren Austausch des Batteriepacks im Rahmen der periodischen Wartung führen könnte (Batterie Low Anzeige).
Die Funkreichweite (Radius) beträgt 0,3 bis maximal 20 Meter innerhalb eines geschlossenen Gebäudes. Bitte beachten Sie bei der Projektierung des Funksystems mögliche Störgrößen bei der Funkübertragung durch Interferenzen, Reflektionen oder Abschirmungen. Auch der geschlossene Brandabschnitt kann die Reichweite reduzieren.
Für höchste Sicherheit gegenüber Störeinflüssen arbeitet das Funksystem in verschiedenen Frequenzbändern auf mehreren Funkkanälen. Das System sucht automatisch die beste Verbindung und wechselt bei Störungen auf einen anderen Kanal. Dadurch sorgt das System permanent für die beste Funkverbindung.
Die Montagerichtung des Funkmoduls möglichst so wählen, dass der Leuchtring bei senkrechter Montage nach unten zeigt. (Senkrechte Montage) Die Antennen im Funkmodul sind dann nach oben ausgerichtet und erreichen so eine bessere Abstrahlcharakteristik.
Manche Materialien absorbieren Funkstrahlen mehr als andere. Deshalb das Funkmodul möglichst nicht direkt auf Untergründen wie Metall oder Stahlbeton anbringen. Möglichst das Funkmodul von der Feststellanlagenzentrale "absetzen" und auf Materialien wie Porenbeton (bspw. Ytong), Gipskartonplatten (z.B. Rigips) oder Holzwerkstoffen anbringen. Mindestens aber ca. 5 cm Abstand zu Metallträger, Kabeltrassen o.ä. einhalten.
Das Funkmodul von der Feststellanlagenzentrale her kommend, nach "oben" abgesetzt montieren; z.B. auf Höhe der Sturzmelder oder der Laufschiene am Tor. Hintergrund: Die Funkstrahlen können sich so besser entlang des Tores ausbreiten.
Nischen, Ecken oder sonstige Zwischenräume erschweren die Ausbreitung der Funkstrahlen. Deshalb ggf. das Funkmodul "abgesetzt" oder außerhalb der Nische anbringen.
Im Reichweitenmodus überprüft das Funksystem bei ca. 70% der Nennleistung die optimale Funkverbindung zwischen dem Funkmodul und den weiteren Funkteilnehmern und zeigt diese durch grünes oder rotes Doppelblinken an. Im Normalbetrieb stehen mit 100% Sendeleistung immer ausreichende Reserven zur Verfügung, um eventuelle Störungen auszugleichen.
Die ORS 155 lassen sich um jeweils 90° versetzt, an 4 Positionen in den Sockel eindrehen. Ein drehen des ORS 155 um bspw. 90° oder 180° kann die Empfangsleistung optimieren. Hintergrund: Diese Optimierung entsteht durch die Geometrie bzw. Physik der Funkstrahlen im Raum, die eine perfekte Ausbreitung gewährleisten. Eine geänderte Position des Melders bewirkt auch eine geänderte Position der Antenne, was einen erheblichen Einfluss auf den Funkempfang haben kann.